XD371X消防信號蝶閥
產品概況
產品型號:XD371X
公稱壓力:PN1.0~2.5Mpa
公稱通徑:DN50~350mm
工作溫度:-10℃-80℃
適用介質:水、油、氣
設計標準:GB/T12238-2008
結構長度:GB/T12221-2005
連接標準:JB/T 79.1-1994
壓力試驗:GB/T13927-2008
XD371X消防信號蝶閥基本信息
百鋼閥門集團生產銷售的XD371X消防專用信號蝶閥是引進國外技術而自行開發的中線型蝶閥,BWSX中線型對夾消防專用信號蝶閥具有結構簡單、密封可靠、開啟輕便、壽命長、維護方便等優點。故被廣泛的應用于給排水、建筑消防等系統各種管道上,尤其在消防管路中。
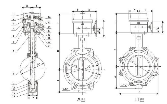
XD371X消防信號蝶閥主要零件:
|
序號
|
零件名稱
|
材質
|
序號
|
零件名稱
|
材質
|
|
1
|
閥體
|
球鐵、鑄鋼
|
7
|
密封圈
|
NBR.EPDM
|
|
2
|
閥軸
|
SUS410/SUS316
|
8
|
圓墊片
|
SUS316/黃銅
|
|
3
|
蝶板
|
球鐵噴塑、不銹鋼
|
9
|
對開環
|
SUS316/黃銅
|
|
4
|
閥座
|
EPDM,PTEE
|
10
|
擋圈
|
彈簧鋼
|
|
6
|
襯套
|
青銅、聚四氟乙烯
|
|
|
|
XD371X消防信號蝶閥主要外形尺寸及重量(PN1.0/1.6MPa)

| DN(mm) | A | B | C | D1 | L | n-Φ | K | E | 4-Φ1 | Φ2 | G | 重量WT(kg) |
| 50 | 140 | 80 | 43 | 125 | 32 | 4-19 | 77 | 57.15 | 4-6.7 | 12.6 | 100 | 3.34 |
| 65 | 152 | 89 | 46 | 145 | 32 | 4-19 | 77 | 57.15 | 4-.67 | 12.6 | 120 | 3.94 |
| 80 | 159 | 95 | 45.21 | 160 | 32 | 8-19 | 77 | 57.15 | 4-.67 | 12.6 | 127 | 4.05 |
| 100 | 178 | 114 | 52.07 | 180 | 32 | 8-19 | 92 | 69.85 | 4-10.3 | 15.77 | 156 | 5.48 |
| 125 | 190 | 127 | 55.5 | 210 | 32 | 8-19 | 92 | 69.85 | 4-10.3 | 18.92 | 190 | 7.66 |
| 150 | 203 | 139 | 55.75 | 240 | 32 | 8-23 | 92 | 69.85 | 4-10.3 | 18.92 | 212 | 8.5 |
| 200 | 238 | 175 | 60.58 | 295 | 45 | 8-23 | 115 | 88.9 | 4-14.3 | 22.1 | 268 | 25 |
| 250 | 268 | 203 | 68 | 350 | 45 | 12-23 | 115 | 88.9 | 4-14.3 | 28.45 | 325 | 31.4 |
| 300 | 306 | 242 | 76.9 | 400 | 45 | 12-23 | 140 | 107.95 | 4-14.3 | 31.6 | 403 | 45.9 |
| 350 | 368 | 267 | 76.17 | 460 | 45 | 16-23 | 140 | 107.95 | 4-14.3 | 31.6 | 436 | 54 |
溫馨提示:
本文中所有文字、數據、圖片均只適用于參考。需要查看更多的XD371X消防信號蝶閥性能參數、結構尺寸參數、價格等詳情,或要求高質量印刷樣本,請聯系我們。